É este o tipo de torno utilizado na indústria de moldes. Contudo, existem outros tipos de tornos comummente utilizados na metalurgia e metalomecânica.
Neste tipo de indústria, esta tecnologia é menos utilizada hoje em dia em virtude do tipo e formato das peças de plástico a obter.
Continua, sem dúvida a ser muito utilizada na fabricação dos acessórios redondos para os moldes (por exemplo: cavilhas, casquilhos, guias, suportes, etc.) em regime de produção série. Pode-se aqui afirmar que cada empresa de moldes tem apenas um torno para executar todas as peças redondas não normalizadas que o molde exige para além dos acessórios normalizados porque estes compram-se.
![]() |
Movimentos Relativos
![]() |
(1) Peça: |
| a) Movimento de Rotação | |
| (2) Ferramenta: | |
| (b) Movimento de Penetração | |
| (c) Movimento de Avanço |
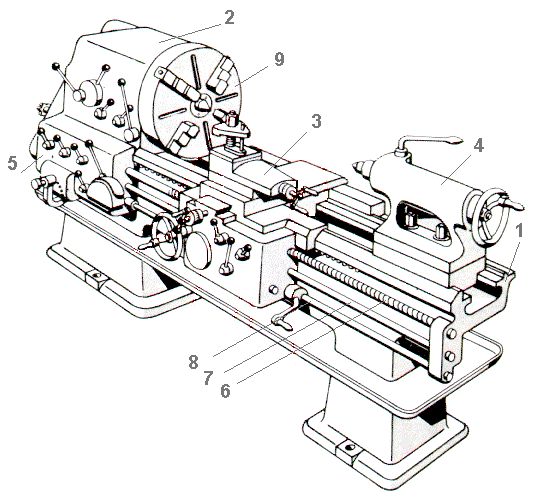
Partes Principais do Torno Mecânico Paralelo
![]() |
|
| 1 | Barramento |
| 2 | Cabeçote fixo |
| 3 | Carro |
| 4 | Cabeçote móvel ou contraponto |
| 5 | Mecanismo de avanço |
| 6 | Fuso |
| 7 | Vara |
| 8 | Vara de ligação do motor |
| 9 | Bucha |



